Ремонт освещения салона (центральный замок)
«Уважаемые коллеги!
Хочу поделиться своими изысканиями в вопросе поиска неисправности салонного света, итак попрошу поближе подойти тех, для кого утро начинается следующим образом:
— Выходим утром на улицу, настроение Во!, отличное, походим к авто и — >
— Нажимаем кнопку брелока сигнализации “снять с охраны“ или поворачиваем ключ в личинке замка ->
— Салонный свет загорается ->
— Открываем любую дверь, салонный свет тухнет, также как и наше настроение. К нам могут присоединиться и другие слушатели, с другими симптомами, берите стульчики рассаживайтесь поудобнее, так, кто закурил на последних рядах? Э, курить в общественных местах в настоящее время запрещено, в серединке сделаем маленький 5мин перерыв.
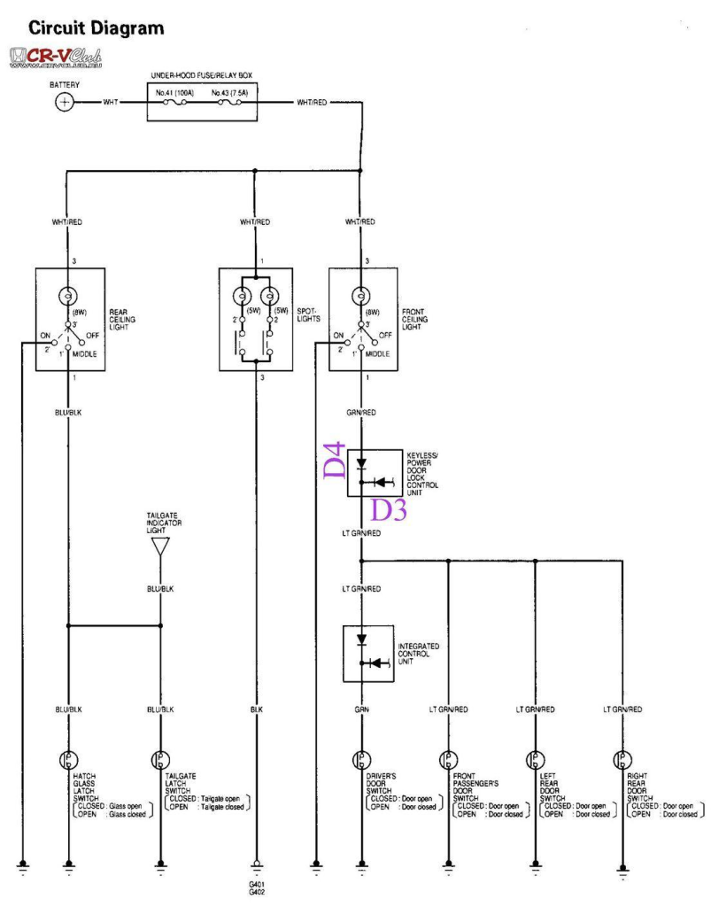
Как Вы уже успели догадаться, речь у нас пойдёт о блоке Keyless/ power door lock control unit или другими словами — блок центрального замка расположенный внутри водительской двери (фото прилагается):

Перед началом ремонта рекомендую снять клемму с АКБ, от греха подальше и поставить переключатель салонного плафона в среднее положение. Сие устройство управляет дверными актюаторами по команде брелока/ключа и по совместительству ему вменили попечительство над салонным светом. Снимаем разъем с блока, берём в руки тестер и в режиме измерения сопротивления один щуп ставим на землю, другой на контакт обозначенный как «Концевики пассажирской и задних дверей»:

Соответственно при открывании пассажирской и задних дверей на этом контакте должна появиться земля, т.е. К.З.
Если показания дергаются или наблюдается большое сопротивление — почистить концевики дверей.
Для контроля работы цепи управления плафоном можно на контакт «Плафон» подать землю, лампа должна загореться (не забываем накинуть обратно клемму АКБ) или прозвонить цепь тестером, сняв салонный плафон.
Убедились, что с концевиков дверей приходит земля и есть контакт с плафоном, т.е. с цепями автомобиля у нас ОК, переходим к разборкам с блоком центрального замка. Вынимаем плату из корпуса, перед нами должна открыться следующая картина (при пристальном изучении оказалось, что плата имеет двухслойную разводку дорожек.

Обратите внимание на часть платы, расположенную на 11-ть часов, чуть крупнее

и крупным планом

Нас интересуют диоды D4 и D3, по схеме из букваря. Наибольший интерес к диоду D4 именно он стоит в цепи управления салонным светом. Заменить его можно на любой диод с прямым током в 2А, например RL203, что нашёл в магазине рядом с домом.
Еще раз смотрим схему из букваря:
— анод диода должен звониться (иметь хороший контакт) с контактом «плафон».
В довесок немного информации по работе устройства, в момент когда мы нажали на кнопку брелка сигнализации «снять с охраны» или повернули ключ в личинке двери, сработали актюаторы двери, но дверь мы НЕ открыли, зажегся салонный свет, так вот это действие осуществляет транзистор FET1 см. фото с названием «чуть крупнее», микросхема подаёт сигнал на базу тр-ра, который открывается и переход Коллектор Эмиттер даёт землю на плафон. Тр-р N-P-N типа, для замены подойдёт 2SD1804
Удачного ремонта, Денис.» (с)

Взято тут.
Метки: HONDA CRV-RD1